輕觸開關使用時輕輕點按開關按鈕就可使開關接通,當松開手時開關既斷開。 輕觸開關是靠金屬彈片受力彈動來實現通斷的。輕觸開關由于體積小重量輕在家用電器方面得到廣泛的應用,如:彩電按鍵,影碟機按鍵,電腦鼠標等等。但輕觸開關也有它不足的地方,頻繁的按動會使金屬彈片疲勞失去彈性而失效。因此現在大部分電器的按鈕都使用導電橡膠來代替,比如電腦鍵盤,遙控器等。

輕觸開關還可用于控制照明燈和排風扇等小功率家用電器,輕觸開關在停電后會自動斷開,再次來電時不會自行接通(需按動控制按鈕才能接通),可避免因電器長期通電而耗費電能或引發意外事故 在開關行業中,各種各樣的開關在市面上受到不同程度的歡迎。輕觸開關是近十多年市場需求增長最快、應用面最廣的一個產品。具有外型小、超薄、按力極小(最小N可達)又輕的特點類型有標準型、密封型、SMD型、防水型、擺桿型、長型、立式型、半圓陣列薄型等。
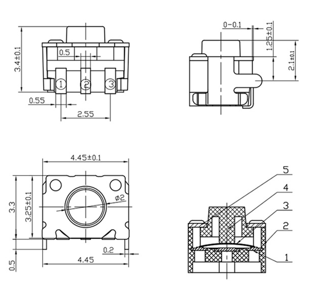
接點鍍銀、鍍金安裝形式主要有插入焊接式、嵌入插腳式、表面貼裝等。尺寸有×、6×、6×6mm、×、8×8mm、10×10mm、12×12mm等優點是適合高密度表面貼裝,有的焊接后可清洗,密封型可防塵,最適合惡劣環境選用,電路設計簡
上一篇:紐子開關接線步驟圖
下一篇:常用的電風扇撥動開關款式